
随着科技的进步, 在生产过程自动化中, 用来控制流体流量的调节阀已普遍应用于各行业, 其中 单座调节阀最为广泛。阀瓣是调节阀重要的组成部 分之一。作为节流元件, 其形状控制着调节阀的流量特性, 其密封面精度控制着调节阀的泄漏量。单 座阀的阀瓣形状和密封面一般采用仿形车床加工, 其工艺复杂, 加工误差大, 效率低。而应用数控技 术加工, 制造简单、加工精度高、效率高。
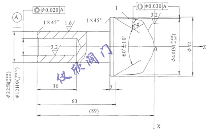
单座调节阀公称直径40mm , 阀门的流量特性为等百分比, 阀瓣(图1) 材料为316L , 零件毛 坯为棒料或铸件。零件加工部位有外圆、内孔、曲 线Ⅰ和60°密封面等其中阀瓣端部的¢22mm 和 ¢12mm 部位有较高的尺寸精度和表面粗糙度要求。 60°密封面涉及到密封性能, 其角度和表面粗糙度 的精度要求较高, 曲线Ⅰ的形状涉及流量特性, 应 保证加工正确。
阀瓣加工时, 以零件轴心线为定位基准, 以三 爪自定心卡盘夹紧定位, 以工件右端面中心(图1 中O 点) 为零点。曲线B、C、D 三点应光滑连接,运用AU TOCAD 软件确定用R6183mm 圆弧连接, A 点切点坐标X11199Z - 116 其余各点用直线连 接。60°密封面和曲线Ⅰ的形状采用数控车床加工, 其余在普通车床加工。数控车床系统采用FANUC - OTD 系统。由于零件有两种毛坯, 根据系统指 令说明, G71 指令应用于加工棒料毛坯, G73 指令 应用于加工铸件毛坯。
阀体全部内表面的表面粗糙度为Ra012 ~ 014μm。当隔膜升起关闭时, 隔膜与出口的最低点 呈平滑无间隙的衔接。阀体可以用其顶部的连接部 分以螺栓连接在容器低端, 也可以焊接在容器低 端。阀门设置有薄膜式气动装置, 其气动执行机构 与阀杆相连。生物抗菌隔膜阀直接位于容器的低 端, 其锥形空腔是容器(反应釜) 内腔的一部分, 且处于容器的最下部, 因此可以快速和彻底的将容 器内的液料排尽。将传统的阀腔垂直设置改成倾斜 设置, 进口位于阀腔的最高处, 出口位于阀腔的最 低处, 无死角存在, 所以不会有残液潴留其中。阀 体内表面的镜面效果, 不易积垢, 易于清洗消毒, 保证了细菌无生长之地, 从根本上杜绝了细菌的繁殖。倾斜的排液在排空时不会产生湍流现象。阀门 结构紧凑, 可以确保在狭小的空间内现场安装。采 用薄膜式气动机构排除了传统的气动装置的活塞和 气缸磨损而造成的驱动失灵缺陷, 使寿命可以提高 10~20 倍。
发布:上海仪欣阀门有限公司|返回:阀门知识